Las bombas de serie ZM(R) son bombas centrífugas de lodo de tipo horizontal de una sola etapa, succión simple, voladizo y carcasa doble. Son ideales para para tareas que requieren de un flujo grande, baja concentración y cabezal hidráulico bajo. Cuando la velocidad de rotación es baja, estas bombas son capaces de transportar lodos abrasivos y de alta concentración. En comparación con la bomba de lodos WX de diámetro equivalente, estas bombas son más pequeñas, livianas y rentables. Se aplican extensamente en la metalurgia, la energía eléctrica, la industria química, la minería, la producción de papel, la industria de materiales de construcción, etc.
Aplicación Parámetros| Calibre (pulgadas) | 8"-10" |
| Flujo | No más de 1386m³/h |
| Elevación | No más de 63m |
| Velocidad de rotacion | 500-1000r/min |
| Potencia | 120-260kw |
Para más detalles, consulta la tabla de rendimiento del agua más adelante.
Tabla de rendimiento del agua| Modelo | Potencia máxima KW | Material | Rendimiento del agua | ||||||
| Revestimiento del cojinete | Impulsor | Flujo Q | Elevación H | Velocida de rotación n | Eficiencia | Margen NPSH | |||
| (m³/h) | (l/s) | (m) | (r/min) | η% | (m) | ||||
| 120 | M | M | 446-1325 | 124-368 | 14-63 | 600-110 | 73 | 3-14 | |
| RU | RU | 277-1088 | 27-322 | 11-43 | 500-900 | 79 | 3-10 | ||
| 260 | M | M | 468-1386 | 130-385 | 9-47 | 500-1000 | 73 | 3-10 | |
| RU | RU | 522-1278 | 140-355 | 10-39 | 500-900 | 73 | 5-10 | ||
Características estructurales
1. El diámetro grande y el voladizo corto aseguran la rigidez del eje, por eso las bombas pueden aplicarse en condiciones extremas y que requieren de una alta potencia de bombeo.
2. La camisa del eje de acero inoxidable endurecido y el eje se ven favorecidos por el espacio de acople, y en ambos extremos se montan juntas tóricas para proteger al eje del desgaste y del óxido.
3. Las cubiertas delanteras y traseras del impulsor poseen paletas auxiliares que ayudan a reducir el reflujo y la presión de sellado. Igualmente, el rodete emplea una corredera amplia, cuchillas cóncavas y otros métodos para mejorar la capacidad de transporte y antiabrasión con el fin de prolongar la vida útil.
4. El cuerpo y la cubierta de la bomba están hechos de hierro dúctil reforzado con nervaduras para mantener la resistencia a las altas presiones.
5. Las piezas de paso de flujo se fabrican con aleaciones de alto contenido de cromo o caucho de diferente rendimiento, lo que las hace resistentes al desgaste, la corrosión, el impacto y la erosión. Las piezas metálicas y las piezas de caucho de paso de flujo se pueden intercambiar o combinar para adaptarse a cualquier condición de trabajo.
6. En cuanto al sello del eje, proveemos el empaque de sellado, la junta del rodete auxiliar, el sello mecánico y otros tipos de sello para cumplir con las necesidades de sellado en diversas condiciones.
7. La posición de salida de la bomba puede tener ocho ángulos diferentes (con un intervalo de 45 °) en función de los requerimientos de instalación.
8. Los cojinetes se pueden lubricar con aceite o grasa. El aceite de lubricación puede reducir efectivamente la temperatura de operación para así evitar los problemas causados por el exceso de temperatura de los cojinetes; mientras que la grasa de lubricación favorece la operación fiable, la instalación, la puesta en marcha y el mantenimiento.

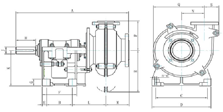
| Modelo | A | B | C | D | E | F | H | J | K | M | N | S | T | Y | Q | R | P | Brida de succión | Brida de descarga | Agujero de anclaje | Peso(Kg) | ||||||||||
| O.D | L.D | P.C.D | HOLES | O.D | I.D | P.C.D | HOLES | Metal | Caucho | ||||||||||||||||||||||
| 451 | 159 | 241 | 286 | 25 | 210 | 57 | 20 | 145 | 90 | 86 | 144 | 28 | 89 | 128 | 124 | 128 | 114 | 25 | 83 | 4-Φ14 | 102 | 20 | 73 | 4-Φ14 | 4-Φ14 | 32 | 28 | ||||
| 624 | 143 | 254 | 295 | 24 | 248 | 80 | 28 | 197 | 136 | 114 | 197 | 38 | 191 | 155 | 154 | 163 | 184 | 75 | 146 | 4-Φ19 | 165 | 50 | 127 | 4-Φ14 | 4-Φ19 | 58 | 46 | ||||
| 813 | 175 | 356 | 406 | 32 | 311 | 120 | 42 | 254 | 163 | 145 | 248 | 48 | 253 | 191 | 198 | 204 | 229 | 100 | 191 | 4-Φ19 | 203 | 75 | 165 | 4-Φ19 | 4-Φ19 | 163 | 144 | ||||
| 950 | 213 | 432 | 492 | 38 | 364 | 163 | 65 | 330 | 187 | 190 | 306 | 64 | 260 | 236 | 249 | 262 | 305 | 150 | 260 | 4-Φ22 | 229 | 100 | 191 | 4-Φ22 | 4-Φ22 | 343 | 309 | ||||
| 1218 | 257 | 548 | 622 | 54 | 448 | 220 | 80 | 457 | 237 | 248 | 403 | 76 | 378 | 303 | 324 | 324 | 368 | 200 | 324 | 8-Φ19 | 305 | 150 | 260 | 8-Φ19 | 8-Φ19 | 718 | 896 | ||||
| 1343 | 257 | 546 | 622 | 54 | 448 | 220 | 80 | 457 | 306 | 381 | 613 | 76 | 413 | 461 | 540 | 401 | 445 | 250 | 394 | 8-Φ22 | 382 | 200 | 337 | 8-Φ22 | 8-Φ22 | 1625 | 1164 | ||||
| 1549 | 349 | 782 | 457 | 95 | 636 | 260 | 100 | 610 | 324 | 438 | 696 | 98 | 451 | 476 | 603 | 470 | 552 | 305 | 495 | 8-Φ32 | 483 | 254 | 425 | 8-Φ22 | 8-Φ32 | 1998 | 1340 | ||||
| 1720 | 640 | 760 | 920 | 70 | 780 | 260 | 120 | 450 | 300 | 475 | 740 | 90 | 415 | 589 | 634 | 570 | 560 | 350 | 500 | 12-Φ26 | 530 | 300 | 470 | 8-Φ32 | 12-Φ26 | 2270 | 1802 | ||||
| 1776 | 640 | 760 | 920 | 70 | 780 | 260 | 120 | 450 | 340 | 530 | 825 | 90 | 425 | 643 | 691 | 620 | 640 | 400 | 580 | 12-Φ26 | 590 | 350 | 530 | 12-Φ26 | 12-Φ26 | 3630 | 2625 | ||||
| 1840 | 620 | 900 | 1150 | 80 | 780 | 260 | 120 | 650 | 375 | 600 | 942 | 125 | 480 | 747 | 809 | 740 | 720 | 450 | 650 | 12-Φ33 | 685 | 400 | 615 | 12-Φ33 | 12-Φ33 | 4210 | 3212 | ||||
| 1875 | 620 | 900 | 1150 | 80 | 780 | 260 | 120 | 650 | 400 | 660 | 1040 | 125 | 500 | 814 | 872 | 800 | 770 | 500 | 700 | 12-Φ33 | 740 | 450 | 670 | 12-Φ39 | 12-Φ33 | 5598 | 4211 | ||||
| 2291 | 660 | 900 | 1150 | 80 | 10400 | 350 | 150 | 650 | 437 | 760 | 1251 | 125 | 492 | 1013 | 1112 | 975 | 875 | 550 | 780 | 12-Φ39 | 850 | 500 | 750 | 12-Φ39 | 12-Φ39 | 6172 | 6356 | ||||
| 2400 | 660 | 1200 | 1460 | 96 | 1060 | 350 | 150 | 900 | 625 | 860 | 1313 | 160 | 625 | 1066 | 1142 | 975 | 975 | 650 | 880 | 12-Φ39 | 900 | 550 | 800 | 12-Φ39 | 12-Φ39 | 10900 | 8263 | ||||
| 2517 | 660 | 1200 | 1460 | 95 | 1050 | 350 | 150 | 900 | 641 | 1020 | 1553 | 150 | 641 | 1248 | 1360 | 1175 | 1175 | 800 | 1092 | 12-Φ55 | 1050 | 650 | 900 | 12-Φ45 | 12-Φ55 | 18780 | 13915 | ||||
Todas las dimensiones son dadas en milímetros (mm)